Forest trailer
PALMS 10UX

PALMS 10UX offers the structural advantages of a unibody frame—such as improved strength, high off-road capabilities, and easy maintenance—at a D-series trailer price range. In addition, it features several new improvements, including a fully protected, frame-integrated optional air tank and a new drawbar.

Specifications
Loading area cross section, m2
2,4
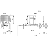
Loading area length, mm
3970
Frame extension length, m
1,138
Gross weight, kg
13000
Curb weight (without options), kg
2270
Total length, mm
6285
Width with standard wheels
2260
Standard wheel size
500/50-17
Frame
Unibody
Max crane size by lifting torque, kNm
90
Drawbar control cylinders standard/(optional), pcs
2
Frame type
Unibody (Forwarder)
Forest trailer PALMS 10UX
Find a dealer